Elios4You Smart - Monitoring Photovoltaïque Monophasé Jusqu’à 10 kW
L’Elios4you Smart (E4U-S) est une solution compacte et clé en main pour mesurer, piloter et optimiser l’autoconsommation d’une installation photovoltaïque monophasée. Installé sur rail DIN, il communique via Wi-Fi et ZigBee, collecte les données de production/consommation et permet d’actionner jusqu’à quatre accessoires sans fil pour exploiter automatiquement les surplus d’énergie.
Avantages clés du boîtier Elios4You Smart
Mesure précise et visualisation intuitive
Elios4you Smart utilise deux pinces TI pour mesurer la production et l’échange d’énergie en temps réel. Les données sont affichées sur l’application Elios4you (smartphone/tablette) et peuvent être envoyées au portail 4-cloud pour un historique et un diagnostic plus complet. Cette visibilité facilite la compréhension de vos flux énergétiques et l’optimisation de l’autoconsommation
Pilotage automatique des charges sans fil
La version Smart permet de piloter automatiquement jusqu’à 4 accessoires radio (Smart Plug RC, Smart Switch RC, Power Reducer RC). Grâce à la logique intégrée, vous pouvez programmer l’allumage d’appareils (chauffe-eau, résistances, pompes...) uniquement lorsque la production solaire génère un surplus, réduisant ainsi vos achats d’électricité.
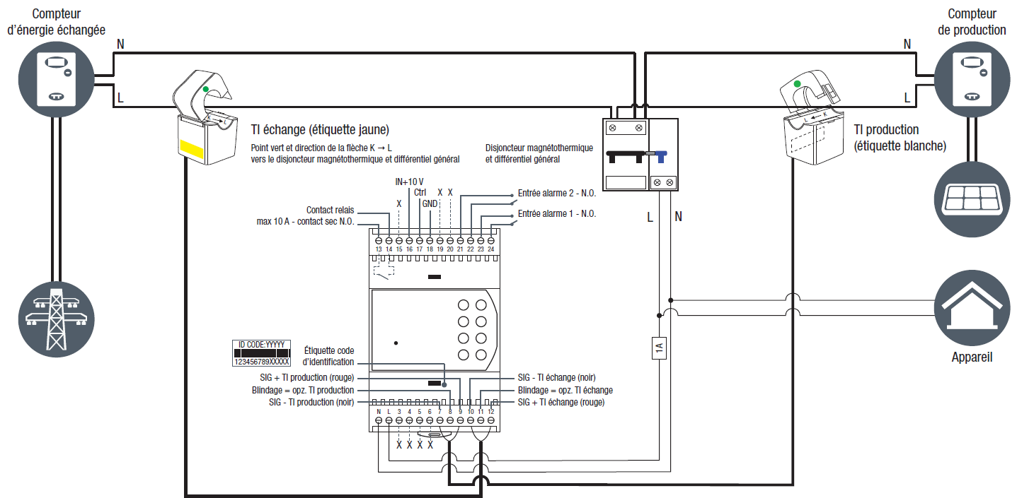
Compatibilité universelle et installation simple
Elios4you Smart est compatible avec tous types d’onduleurs et s’intègre facilement dans le tableau électrique grâce à son format rail DIN 4 modules (72 × 110 × 60 mm). Les connexions sont réalisées sur bornes à vis (alimentation 230 Vac, TI, sorties relais, 0–10 V, entrées alarme), ce qui simplifie la pose par un professionnel qualifié.
Connectivité robuste : Wi-Fi + ZigBee
Le boîtier supporte le Wi-Fi (802.11 b/g/n) pour l’envoi des données vers l’application et le cloud, et utilise ZigBee 2,4 GHz pour la gestion des accessoires radio. L’antenne externe (fournie) améliore la portée et la fiabilité des communications sur site.
Mémoire locale et résilience de données
En cas d’absence de connexion Internet, Elios4you Smart garde un historique local jusqu’à 2 mois (échantillonnage toutes les 15 minutes). Les données sont automatiquement synchronisées dès que la connexion est rétablie, préservant l’historique de production et de consommation.
Sécurité et fonctions pratiques
Le boîtier intègre une sortie relais (contact sec, max 10 A @ 230 Vac) et une sortie 0–10 V pour commande d’équipements, ainsi que deux entrées d’alarme. Les LED d’état donnent un retour visuel immédiat (alimentation, Wi-Fi, activité, injection réseau), facilitant les vérifications terrain.
Caractéristiques techniques
- Usage : contrôle pour installations PV monophasées (échange de puissance jusqu’à 6,0 kW).
- Alimentation : 230 Vac ±10 %, consommation ≈ 2 W.
- Communications : Wi-Fi 802.11 b/g/n, ZigBee 2,4 GHz.
- Entrées/Sorties : 2 TI (pinces), 2 entrées alarme (NO), 1 relais sortie (max 10 A), 1 sortie 0–10 V.
- Mémoire : historique local jusqu’à 2 mois (échantillonnage 15 min).
- Indice de protection : IP20 (usage tableau intérieur).
- Dimensions : 72 × 110 × 60 mm (rail DIN 4 modules).
